欢迎光临 [ 乐鱼官方网站 - 乐鱼leyu(中国) ] 官方网站! 网站首页      |     联系我们

滗水器

产品列表
加药装置系列

TBAD三腔式自动加药装置

概述
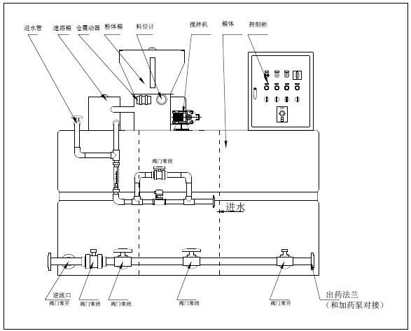
       TBAD三腔式自动加药装置是一个自动、连续式的絮凝剂溶配装置,配制溶液范围为0-5000升/时,浓度为0.1%-0.3%。
       干粉絮凝剂从螺旋推进器内进入速溶器内与清水进行预混,被湿润的物料进入配制槽进行搅拌稀释,按要求浓度进行配制;配制过程中,进水量在流量计观测下必须相对稳定,从而保证在整个工作工程中,配制溶液浓度不变。
       配制溶液从配制槽经熟化槽再进入储存槽,当储存槽液位处于高位时,配置过程自动停止,加药液过程继续,当溶液下降到中液位时,重新自动启动配料过程。配制槽和熟化槽均设置搅拌器,充分保证絮凝剂的稀释和熟化。另外,储存槽溶液不足时会触及下液位报警系统,所有系统均停止并报警。本装置是由具有自动化程度高、性能稳定、工作可靠、操作简单等特点。

产品特点
       1、自动化程度高、操作简单方便;
       2、系统稳定可靠,有故障时相关设备会自动按要求停止,同时发出报警信号;
       3、采用螺旋给料器投加粉体,可手动调速,保证投料均匀、分散、精度高;
       4、在规定的生产量及连续投液条件下,其配置浓度为0.1%-0.5%;
       5、干粉不足、药液不足时均能发出报警信号;
       6、采用微型振动马达防干粉仓内架桥;
       7、预混器加速粉料的水化作用。

设备配置说明
标准配置 9、进水流量计(管式)
1、三腔式预调、熟化、成药箱体 10、进水电磁阀
2、干粉投加箱 11、管阀件组合
3、干粉速溶装置 12、控制箱子(本地控制含远程控制接口)
4、手调式干粉加药器 可选配置
5、干粉仓振动器 1、药粉加热装置
6、干粉断料报警器 2、进水电磁流量计
7、混合搅拌机 3、高浓度液态稀释系统
8、成药液位控制器 4、药液投加泵

外形示意图

技术参数表
型号 泡药量 (L/H) 箱体有效总体积 (m3) 总功率 (kw)
TBAD1000 1000 1.5 2
TBAD 1500 1500 2 2.8
TBAD 2000 2000 2.5 2.8
TBAD 2500 2500 3 3.85
TBAD 3000 3000 3.5 3.85
TBAD 3500 3500 4 3.85
TBAD 4000 4000 4.5 5.05
展开
乐鱼官方网站 - 乐鱼leyu(中国)